Kontakt till
Molles Avlopp
Biverud 428,
70597 Glanshammar
Personlig service och fri frakt inom 10 mil.
(Vid längre avstånd tar man fram pris på förfrågan.)
Kontakt:
Andreas 070-995 72 00
Tomas: 070-634 85 32
Till hemsidan mollesavlopp.se
Klicka här.

T ex. för hämtning från lager:
Slamavskiljare VRT 3000 L
Slamavskiljare VRT 4000 L
Slamavskiljare VRT 5000 L
och massa andra storlekar
VRT 6500 L sluten tank
VRT 10 000 L sluten tank
VRT 15 000 L sluten tank
och massa andra storlekar.
Kontakta oss om du har frågor.
KLICKA HÄR.
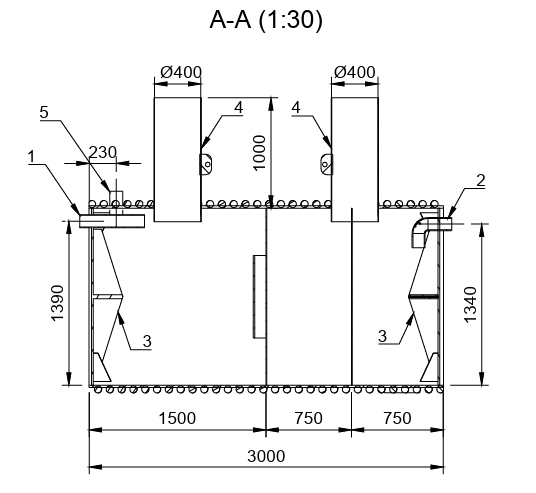
Kompletta ritningar följer med.
T. ex. VRT 5000 med två halsar (ritning nedan)
CE-godkänt
En av våra mest sålda slamavskiljare i Sverige.


